IntroductionTechnical detailsSpecificationsDisclaimer
Introduction
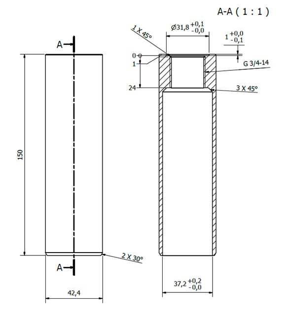
HB Products keeps various welding sleeves in stock for simple installation of HB Products switches and sensors. The range covers shorter and longer versions. In the long version, they are available in lengths of 50 and 150mm.
Technical details
- For mounting on pipes and tanks
- Produced in stainless steel - AISI 304
Specifications
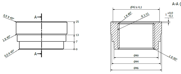
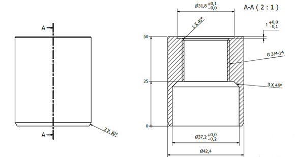
Drawing

HBS/ADAP/WS/8

HBS/ADAP/WS/6

HBS/ADAP/WSS/6-150
| Mechanical specifications | |
|---|---|
| Material WS | S355N |
| Material WSS | AISI304 |
Disclaimer
| Length | Thread type | Ordering code |
|---|---|---|
| 50 mm | 3/4" BSP | HBS/ADAP/WS/6 |
| 25 mm | 1" BSP | HBS/ADAP/WS/8 |
| 37 mm | 3/4" NPT | HBS/ADAP/WSS/2 |
| 50 mm | 3/4" BSP | HBS/ADAP/WSS/6-50 |
| 150 mm | 3/4" BSP | HBS/ADAP/WSS/6-150 |